CBSE 2024-25 Competency-Based Questions With Answers: The Central Board of Secondary Education (CBSE) has released the competency-focused practice questions for the 2024-25 academic year, covering key subjects for both Class 10 and Class 12. By practicing these questions, students can better familiarise themselves with the format and style of questions likely to appear in the actual exams, improving their confidence and performance. These questions are organised chapter-wise across three volumes per subject.
Specifically, for Class 12 Physics, Chapter 2 on Current Electricity, the CBSE has provided competency-based questions designed to enhance understanding and application skills for the 2025 exams. The FREE PDF files include both multiple-choice questions (MCQs) and free-response questions, which are available for download.
CBSE Class 12 Physics Chapter 2 Competency-Based Questions
Question 1: If the voltmeter in the given circuit reads 8 V, what is the resistance of the voltmeter?

- 70/4119 Ω
- 70 Ω
- 420 Ω
- 4200 Ω
Question 2: Which combination of the three resistors will dissipate maximum power from a 10 V battery?

- II
- III
- IV
Question 3: If the ammeter reading in the given circuit is zero, find the value of the resistance R.

- 50 ohm
- 100 ohm
- 150 ohm
- 200 ohm
Check: Ohm’s Law: Definition, Statement, Application And Limitations
Question 4: Resistances 10 Ω and R Ω are connected in the two gaps of a metre bridge. The null point is obtained at 30 cm on the metre scale from the zero end. What resistance must be connected in parallel to R so that the null point is at the mid‐point of the metre wire?
- 10 Ω
- 70/3 Ω
- 70/4 Ω
- 3/70 Ω
Question 5: Accelerated alpha particles, constituting a beam current of 0.64 mA, are released by a cyclotron onto a target. Find the number of alpha particles that strike the target in one second.
Question 6: Alloys like Nichrome, whose temperature coefficient of resistance is
~ 0.4 x 10‐3 /o C at 20o C, are used widely in the making of wire‐bound standard resistors as their resistance changes very little with changes in temperature.
(i) Find the temperature at which the resistance of a given Nichrome wire would be reduced to half its value at 20oC.
(ii) State an anomaly regarding the temperature value obtained in (i).
Question 7: A battery of 6 V drives a current of 60 mA through an electric lamp. Another battery of 10 V drives a current of 70 mA through the same lamp. Is the lamp an ohmic device? Explain.
Question 8: A dimmer is a device that is connected to a light bulb and is used to lower the brightness of the light from the bulb. It introduces a resistance in series with the bulb for this purpose. A 44 W bulb in a household circuit is connected across a 220 V power supply.
(a) How much current does the bulb draw initially without the dimmer in action?
(b) What resistance in series would the dimmer introduce in order to drive a current of 0.1 A through this bulb?
Question 9: Eva needs a 3 V power supply for her electronic circuit experiment. There is a 10 V battery in the lab that she can use. Eva decides to make a voltage divider using this battery and two different resistors, the larger value resistor being 300 ohm. What value of the smaller resistor should Eva use to make the desired voltage divider?
Question 10: A flashlight uses two batteries, each of emf 2 V and internal resistance 0.1 ohm, in series. The flashlight bulb has a resistance of 10 ohm.

(a) What is the current drawn by the flashlight bulb?
(b) How much power is dissipated through the flashlight bulb?
(c) If the two batteries have zero internal resistances, will the power dissipated through the flashlight bulb be more or less? Calculate the difference.
Question 11: In order to discourage the use of personal electrical appliances by the guests in the rooms of a motel in a small town, each 220 V socket in the room is wired with a circuit breaker on a 5 A line. Sam wishes to iron his clothes using his 1200 W, 220 V portable steam iron box 2 in his motel room.
(a) Will Sam be able to use his iron box without tripping the circuit breaker? Explain.
(b) Find the resistance of his iron box.
Question 12: Tim is a music enthusiast who wishes to create good sound effects for his stereo system using his two sets of speakers at home. The first set consists of two speakers of resistance 10 Ω each. The second set consists of two speakers with resistances 5 Ω and 10 Ω respectively. Initially, he connects the first set of two 10 Ω speakers in series to the 10 V stereo output. Later, he connects the second set of speakers such that each of them is parallel to the first set of speakers.
(a) What is the current through each of the 10 Ω speakers BEFORE the second set of speakers were connected?
(b) What is the new current through each of the 10 Ω speakers AFTER the second set of speakers are connected?
(c) If the loudness of the music is directly proportional to the amount of power used by the speaker, how has the loudness of the first set of speakers changed due to the introduction of the second set of speakers?
(d) What is the impact of connecting the second set of speakers in the circuit here?
Question 13: Rene uses a portable electric lamp to light up her keyboard when working on her computer at night. The lamp consists of two small bulbs each of resistance 2 ohm connected in series and is powered by a 20 V battery.
(a) How much current is drawn by the portable lamp?
(b) Each of the two bulbs in the portable lamp is rated for continuous use of 10 hours only before they burn out. If the battery can supply total energy of 4000 kJ, which of the two occurs first: the lamp burns out or the battery drains out? Show the working.
Question 14: In the given network of resistors, the 16‐ohm resistor burns out as soon as it begins to dissipate 100 W of power.

What MAXIMUM voltage can be applied across terminals A and B, in order to avoid the burn out of the 16‐ohm resistor?
Question 15: Determine the equivalent resistance of the following combination of resistors. Show the working (include diagrams if required).

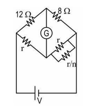
Question 16: A Wheatstone’s bridge employs 5 resistors as shown. Find the value of n that will ensure that the bridge is always in a balanced condition, irrespective of the value of r.
 
 
Question 17: Determine the value of R in the given network for each of the conditions separately.

- If VB – VD = 8 V
- If VA ‐ VC = 8 V
To access all the practice question of Physics Chapter 2 Current Electricity, the complete FREE PDFs are attached here. Click on the 'Download PDF' to get the PDF.
| CBSE Class 12 Physics Competency-Based Questions With Answer Key 2024-25 | Download PDF | 
Tips To Prepare For Board Exam
Preparing for board exams can be challenging, but with right strategies and techniques you can approach your studies in right direction. Here are some tips which will help you to prepare for board exams:
- Create a Study Plan: Making study plan befor exam will beneficial for students. Break your syllabus into small sections as per your comfort level and allocate time for each subject based on its difficulty and your comfort level with it.
- Understand the Syllabus: Make sure you are familiarise your exam syllabus and ensure you cover all topics. Focus on important and high-weightage topics
- Use Quality Study Materials: Rely on NCERT or prescribed textbooks as they are usually the basis for board exams. Use additional reference books and guides for more in-depth understanding if necessary.
- Practice Past Papers: Practice last year board exam sample papers to get a feel for the types of questions asked and the exam format. Take timed mock tests to improve your speed and accuracy.
- Focus on Conceptual Understanding: Ensure you understand the concepts thoroughly rather than just memorising facts.
- Regular Revision: Regularly revise what you've studied to brushup your memory. Make concise notes for quick revision of key points.
- Manage Stress: Practice stress management techniques like deep breathing, meditation, or light exercise. Take regular breaks during study sessions to avoid burnout.
- Stay Positive and Motivated: Set achievable goals and reward yourself for meeting them. Keep a positive mindset and remind yourself of your goals and progress.
By following these tips, you can improve your preparation for board exams and increase your chances of achieving your desired results.
Related:
Also Check:
Comments
All Comments (0)
Join the conversation